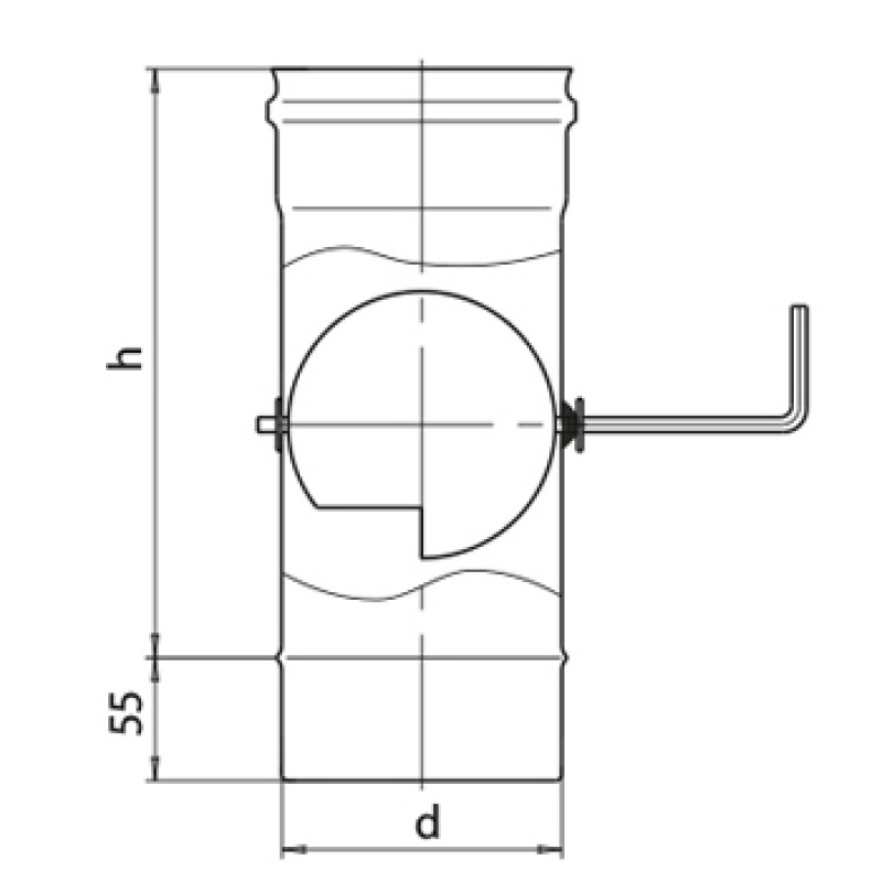
Описание
Предназначен для регулировки тяги внутри дымового канала.
Элемент выполняется из стали толщиной 0,8 мм. В таблице приведены размеры и массы элемента в зависимости от диаметра и толщины стали.

Характеристики
| Шибер (439/0,8 мм) Ф300 | |
|---|---|
| Модель: | Шибер (439/0,8 мм) Ф300 |
| Производитель: | FERRUM (Россия) |














